Turite pasirinkti produktui variantus.
-
files/shutit_badass_prisukamas_vyris_ci3700_ddtech_kamstelis.lt.jpg
-
files/shutit-badass-vyris-prisukamas-virinamas-ci3700-ddtech-kamstelis.lt.png
Prisukamas vyris dviem guoliais, vartams iki 450kg
Prekės kodas
VYP-450
- Įprasta kaina
- €186,21
No reviews
- Įprasta kaina
- €186,21
Negalima įkelti atsiėmimo galimybės
Produkto aprašymas
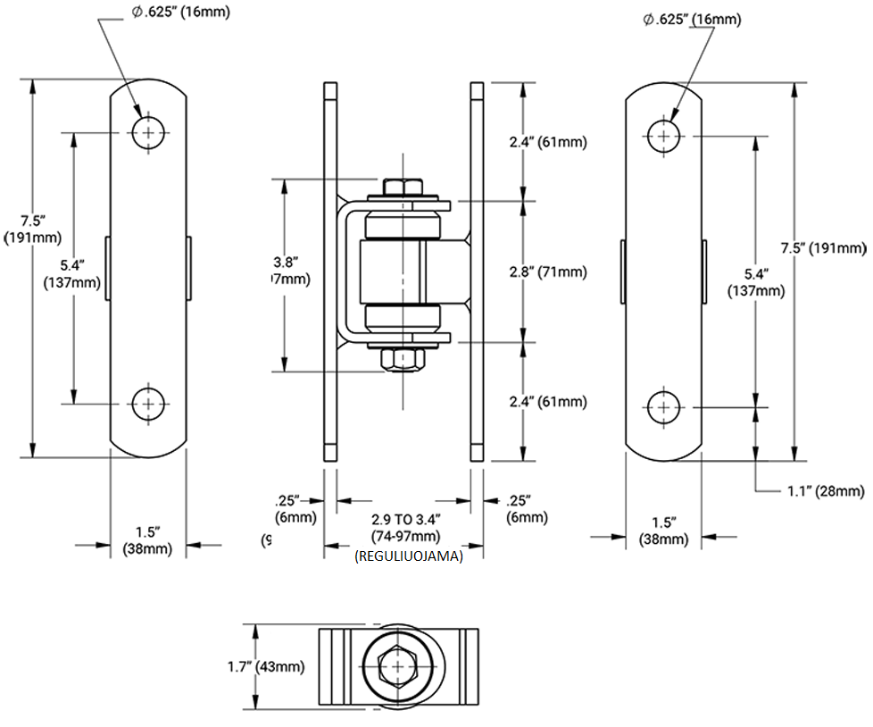
D&D Technologies SHUT IT® vyriai testuoti daugiau nei vienam milijonui ciklų, o mažiausios tolerancijos tekintos detalės praktiškai panaikina trintį.
- Sustiprinta ašis (varžtas), bei inovatyvaus dizaino trinčiai, vibracijoms ir aukštoms temperatūroms atspari veržlė su fiksatoriumi
- Tvirtinimo kronšteinai su skylėmis varžtams
- Vartų įrengimui, kur suvirinimas yra negalimas
- Atraminio stulpo kronšteinas turi horizontalų reguliavimą
- Du hermetiški aukštatemperatūriniai guoliai
- Galima dažyti milteliniu būdu
- Nereikalauja jokios priežiūros ar tepimo
- Didžiausia leistina apkrova vyrių komplektui- 900kg
- Didžiausias leistinas vartų svoris su dviem vyriais - 450kg
- Atstumas tarp atraminio stulpo ir varčios nuo 74mm iki 86mm
- Kaina už 1 vienetą.
Medžiaga- cinkuotas plienas.
Surinkta- D&D Technologies (JAV).
Prašome su mumis susisiekti jei nerandate reikiamo produkto.