Produkto aprašymas

D&D Technologies SHUT IT® vyriai testuoti daugiau nei vienam milijonui ciklų, o mažiausios tolerancijos tekintos detalės praktiškai panaikina trintį.

  • Sustiprinta ašis (varžtas) bei inovatyvaus dizaino trinčiai, vibracijoms ir aukštoms temperatūroms atspari veržlė su fiksatoriumi
  • Tinka virinti tiek prie stačiakampio tiek prie apvalaus vamzdžio varčios. Nereikia šlifuoti prieš virinant
  • Hermetiškas aukštatemperatūrinis guolis
  • Galima dažyti milteliniu būdu
  • Nereikalauja jokios priežiūros ar tepimo
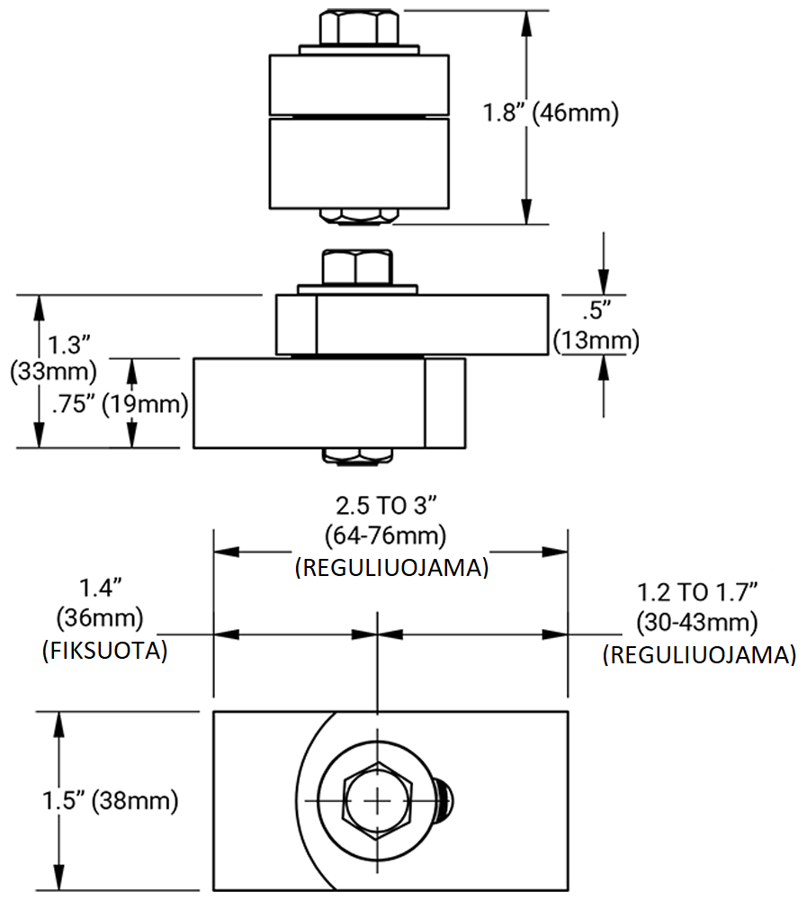
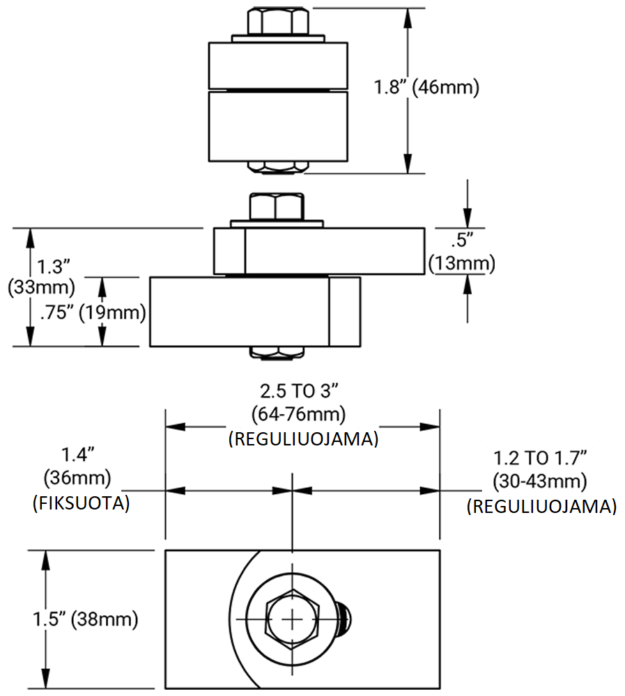
  • Didžiausia leistina apkrova vyrių komplektui- 230kg
  • Didžiausias leistinas vartų svoris su dviem vyriais - 140kg
  • Dėl išpjovos korpuse galima pasirinkti atstumą tarp atraminio stulpo ir varčios nuo 64mm iki 76mm
  • Kaina už 1 vienetą.

Medžiaga- cinkuotas plienas, nedengtas plienas, aliuminis, aliumini ir cinkuoto plieno kombinacija

Surinkta- D&D Technologies (JAV).

Užsakoma prekė! Prašome su mumis susisiekti dėl pristatymo termino.