Produkto aprašymas

D&D Technologies SHUT IT® vyriai testuoti daugiau nei vienam milijonui ciklų, o mažiausios tolerancijos tekintos detalės praktiškai panaikina trintį.

  • Sustiprinta ašis (varžtas), bei inovatyvaus dizaino trinčiai, vibracijoms ir aukštoms temperatūroms atspari veržlė su fiksatoriumi
  • Tvirtinimo kronšteinas su skylėmis varžtams
  • Prisukamas prie atraminio stulpo ir virinamas prie varčios
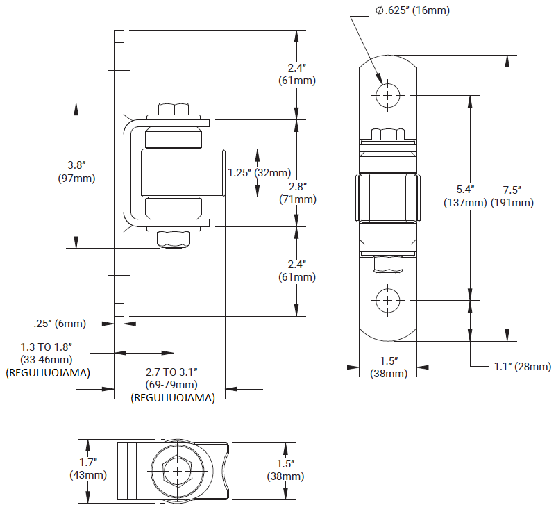
  • Atraminio stulpo kronšteinas turi horizontalų reguliavimą
  • Du hermetiški aukštatemperatūriniai guoliai
  • Galima dažyti milteliniu būdu
  • Nereikalauja jokios priežiūros ar tepimo
  • Didžiausia leistina apkrova vyrių komplektui- 900kg
  • Didžiausias leistinas vartų svoris su dviem vyriais - 450kg
  • Atstumas tarp atraminio stulpo ir varčios nuo 67mm iki 80mm
  • Kaina už 1 vienetą.

Medžiaga- cinkuotas plienas.

Surinkta- D&D Technologies (JAV).

Užsakoma prekė! Prašome su mumis susisiekti dėl pristatymo termino.